加入好友
仕勛企業有限公司

PRODUCTS

PRODUCTS
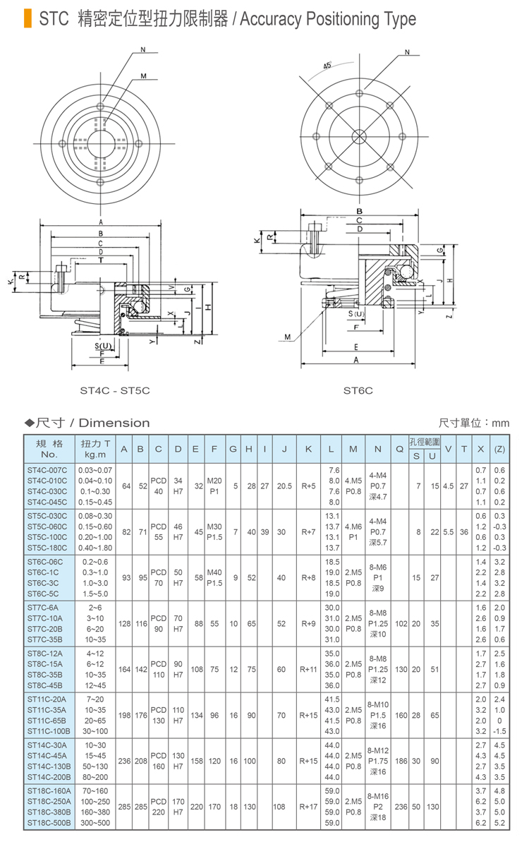
STC精密定位扭力限制器

STC精密定位扭力限制器

產品資訊

BACK